Footings transfer loads to earth which is imposed on it. the structure is stand on footings. so it is important that the footings should stable enough to carry the loads which are coming on it. Proper placement of reinforcement in footing is important factor for stability of footing.
No matter, how well a structure is designed if the construction professionals don’t care of placing reinforcement in proper way, the structure won’t stable.
Different countries follow different rules for designing and placement of reinforcement. However, the basics are same. I’m not a specialist of RCC structure designing. I’m just a construction professional. Here I want to share some notes, which we follow during placing reinforcement in footing-
So, the theme/theory of placing main reinforcement in footing - “the main reinforcement should be placed parallel with the greater/bigger distance of column face and footing’s outer face.
No matter, how well a structure is designed if the construction professionals don’t care of placing reinforcement in proper way, the structure won’t stable.
Different countries follow different rules for designing and placement of reinforcement. However, the basics are same. I’m not a specialist of RCC structure designing. I’m just a construction professional. Here I want to share some notes, which we follow during placing reinforcement in footing-
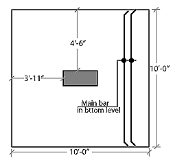
Pic-01
Many of us think that the main reinforcement of footing will be parallel with long length of footing. That is wrong. In pic-01, the main reinforcement is placed parallel with short length of footing. Because the distance between outer face of footing and outer face of column is more in short length than long length of footing.
Pic-02
See the pic-2. The footing is square. The main reinforcement is placed parallel with the greater distance of footing & column face.So, the theme/theory of placing main reinforcement in footing - “the main reinforcement should be placed parallel with the greater/bigger distance of column face and footing’s outer face.
0 comments:
Post a Comment